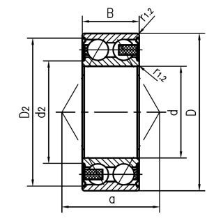
Подшипник 3209 A-2RS1TN9/MT33
Шарикоподшипник предназначен для работы под комбинированной нагрузкой – он выдерживает как радиальные, так и осевые нагрузки, действующие в обоих направлениях. Он значительно увеличивает жесткость вала благодаря своей конструкции. Уплотнение этого подшипника состоит из внутренних и внешних элементов, выполненных из прочного синтетического каучука с добавлением стальных волокон, что повышает его долговечность. Его широко используют в системах охлаждения двигателей грузовиков МАЗ, в раздаточных коробках автомобилей "Нива Шевроле", а также в трансмиссиях различного назначения. Кроме того, он необходим в сельхозтехнике, насосах, упаковочном и транспортном оборудовании, лифтах и компрессорах.
До транспортной компании
Доставка до выбранной Вами транспортной компании производится бесплатно при заказе от 3000 рублей. Если сумма заказа менее 10000 рублей, то стоимость доставки до ТК - 200 рублей.
Стоимость доставки транспортными компаниями, почтой России или выбранной курьерской службой производится по тарифам выбранной Вами службы и оплачивается отдельно. Вы можете уточнить стоимость в вашей тк
КАЛЬКУЛЯТОР ДОСТАВКИ ТРАНСПОРТНЫМИ КОМПАНИЯМИ
КАЛЬКУЛЯТОР ДОСТАВКИ КУРЬЕРСКОЙ СЛУЖБОЙ ЯНДЕКС

