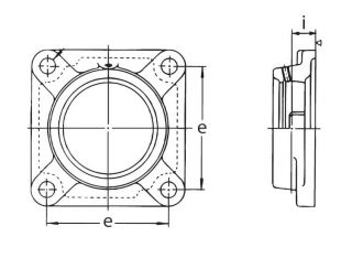
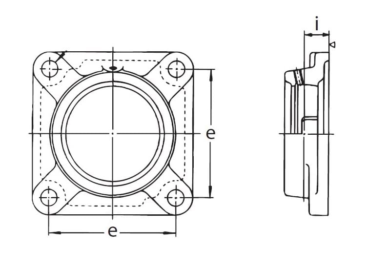
Корпус F 306 представляет собой надежное и долговечное решение для фланцевых опор, широко применяемое в сельскохозяйственной, строительной и промышленной технике. Его конструкция предусматривает установку на плоскую поверхность и обеспечивает: Надежное закрепление и точное позиционирование вала. Способность компенсировать несоосность в условиях интенсивной эксплуатации. Высокую стойкость к вибрациям, ударным нагрузкам и перепадам температур. Изготовленный из высокопрочного чугуна с антикоррозийной обработкой, корпус F 306 гарантирует долговечность. Фланец с отверстиями для болтового соединения упрощает монтаж на раме или плите, обеспечивая надежное крепление. Конструктивные особенности корпуса также способствуют легкому монтажу/демонтажу и эффективной защите подшипника от пыли, грязи и влаги. Корпус F 306 идеально подходит для использования в таких механизмах, как конвейеры, насосы, редукторы, вентиляторы и другое оборудование, где критически важны долговечность и стабильность работы узла.
До транспортной компании
Доставка до выбранной Вами транспортной компании производится бесплатно при заказе от 10000 рублей. Если сумма заказа менее 10000 рублей, то стоимость доставки до ТК - 200 рублей.
Стоимость доставки транспортными компаниями, почтой России или выбранной курьерской службой производится по тарифам выбранной Вами службы и оплачивается отдельно. Вы можете уточнить стоимость в вашей тк
КАЛЬКУЛЯТОР ДОСТАВКИ ТРАНСПОРТНЫМИ КОМПАНИЯМИ
КАЛЬКУЛЯТОР ДОСТАВКИ КУРЬЕРСКОЙ СЛУЖБОЙ ЯНДЕКС

