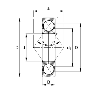
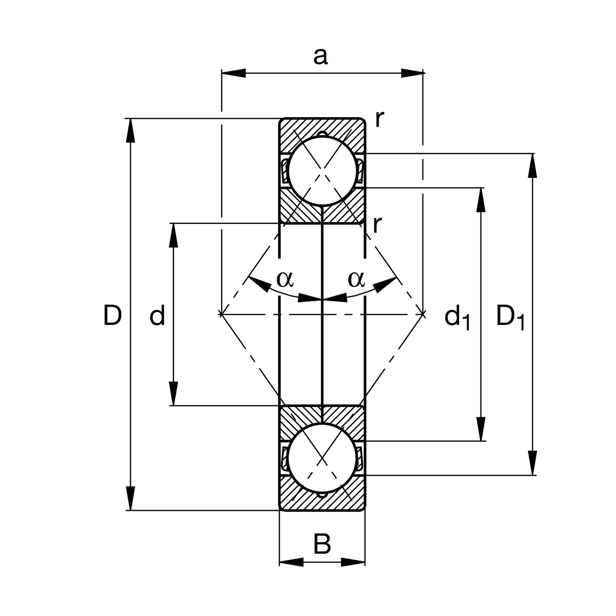
Радиально-упорный шарикоподшипник спроектирован для одновременного восприятия радиальных и осевых нагрузок в обоих направлениях. Благодаря четырем точкам контакта шариков, он обеспечивает надежную работу в условиях комбинированных нагрузок. Часто оснащается сепаратором из латуни или усиленного полиамида и может иметь различные модификации, такие как регулируемый внутренний зазор или защитные шайбы. Типичные области применения включают насосы, компрессоры и коробки передач, где требуется высокая несущая способность в осевом и радиальном направлениях, а также могут применяться в сферах: автомобильные трансмиссии;электродвигатели;
машиностроение;сельскохозяйственная техника;кондиционеры и системы вентиляции;аппаратурадля переработки материалов;генераторы;
понижающие редукторы;строительное оборудование; медицинское оборудование.
До транспортной компании
Доставка до выбранной Вами транспортной компании производится бесплатно при заказе от 3000 рублей. Если сумма заказа менее 10000 рублей, то стоимость доставки до ТК - 200 рублей.
Стоимость доставки транспортными компаниями, почтой России или выбранной курьерской службой производится по тарифам выбранной Вами службы и оплачивается отдельно. Вы можете уточнить стоимость в вашей тк
КАЛЬКУЛЯТОР ДОСТАВКИ ТРАНСПОРТНЫМИ КОМПАНИЯМИ
КАЛЬКУЛЯТОР ДОСТАВКИ КУРЬЕРСКОЙ СЛУЖБОЙ ЯНДЕКС


